网站首页
中心概况
公共实训基地
实训教学模块
应用系统平台
虚拟仿真平台
关于我们
当前位置:
首页
>>
通知公告
>>文章内容
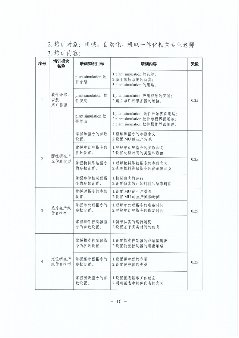
常州科教城现代工业中心关于开展2022年暑假实训指导教师培训工作的通知
发布时间:2022-06-22 访问次数:9085
附件:
关闭窗口
打印文档